74HC00
74HC00
RENESAS
74HC00 ST SOP
In Stock: 6124 pcs
, një anëtar i shquar i familjes CMOS Logic IC, integron katër porta NAND në një paketë, duke përdorur teknologjinë e portës silikoni për të përputhur me shpejtësinë operacionale LS-TTL me një konsum të ulët të energjisë.Kjo përzierje e shpejtësisë dhe efikasitetit, e shtuar nga aftësia e saj për të drejtuar deri në dhjetë ngarkesa LS-TTL dhe shtrëngim të brendshëm të diodës për mbrojtjen elektrostatike të shkarkimit, pozicionon 74HC00 si një përbërës i gjithanshëm dhe i besueshëm në hartimin e qarkut dixhital.Ju mund të vlerësoni rezultatet e tij të bufferuara për imunitetin e zgjeruar të zhurmës dhe pajtueshmërinë e tij me disa ekuivalentë standarde të industrisë, duke e bërë atë një gur themeli në krijimin e sistemeve dixhitale inovative dhe të fuqishme.
Katalog
74HC00
74HC00
RENESAS
74HC00 ST SOP
In Stock: 6124 pcs
, duke përfshirë katër porta NAND, shënohet për përafrimin e saj me familjen LS-TTL.
Duke përdorur teknologjinë CMOS silikoni-porte, ajo arrin shpejtësinë operacionale të ngjashme me LS-TTL duke mbajtur një përqendrim në konsumin e ulët të energjisë.Ky ekuilibër ju lejon të shfrytëzoni shpejtësinë dhe efikasitetin, duke kultivuar modele që rezonojnë me zgjuarsi.Rezultatet e portës së bufferit rritin imunitetin e zhurmës, një faktor që kontribuon në performancën e qëndrueshme edhe në mjediset sfiduese të sinjalit.
Aftësia e saj për të drejtuar deri në dhjetë ngarkesa LS-TTL e bën atë të përshtatshme për sistemet ku dëshirohen rezultate të shumta të sinjalit.
E pajisur me shtrëngim të diodës së brendshme, minimizon rreziqet që lidhen me shkarkimin elektrostatik.Kjo veçori thekson rolin e saj në shtrirjen e jetëgjatësisë së përbërësit, duke pasqyruar në mënyrë të hollësishme mençurinë në kërkimin e besueshmërisë afatgjatë.
Zëvendësimet dhe ekuivalentët:
•
CD4011
CD4011
I-CORE
701
In Stock: 25220 pcs
• MC54HC00AJD
• M74HC00M1
• Sn54ls00
• sn74hct00dte4
•
74HCT132D
74HCT132D
NXP
74HCT132D PHILIPS SOP14
In Stock: 16924 pcs
•
74HCT00
74HCT00
TI
74HCT00 ST SOP14
In Stock: 2870 pcs

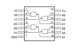
• Kunjat 1, 2, 4, 5, 9, 10, 12, 13: Inputet e të dhënave
Këto kunja janë krijuar për të marrë sinjale hyrëse që drejtojnë operacionet logjike të portave NAND brenda çipit.Sigurimi i këtyre inputeve janë të lira nga ndërhyrjet sjell sjellje të besueshme të qarkut, duke reflektuar për kontroll dhe parashikueshmëri.
• Kunjat 3, 6, 8, 11: Prodhimet e të dhënave
Duke vepruar si rezultate, këto kunja përcjellin rezultatet e llogaritjeve të portës NAND.Ato mund të përdoren në ndërtime të larmishme logjike dixhitale, duke gërshetuar së bashku modele komplekse logjike.Kur qarqet e shumta janë të lidhura me një dalje të vetme, efektet e mundshme të ngarkimit aludojnë në ekuilibrin delikat të kërkuar në marrëdhënie të ndërlikuara.
• Pin 7: Toka (GND)
Kjo pin lidhet me tokën e sistemit për të siguruar një pikë referimi të qëndrueshme për tensionet.Vendosja e një lidhjeje të tillë të qëndrueshme përputhet me ndjekjen natyrore të tokëzimit dhe qartësisë, duke minimizuar shqetësime.
• PIN 14: Furnizimi me energji pozitive (VCC)
Ushqimi i tensionit të saktë përmes kësaj pin mbështet performancën e pajisjes.Ndërsa mirëmbajtja brenda gamës së specifikuar rrit jetëgjatësinë dhe efikasitetin, vendosja e kondensatorëve zbërthyer pranë kunjave të energjisë mund të stabilizojë ndjeshëm operacionin, duke pasqyruar strategji për të menaxhuar kompleksitetet e jetës.
74HC00
74HC00
RENESAS
74HC00 ST SOP
In Stock: 6124 pcs
është projektuar me katër porta të pavarura NAND që përqendrohen në efikasitetin e energjisë, duke ju tërhequr me performancën e tij të besueshme në qarqet dixhitale.Imuniteti i tij mbresëlënës i zhurmës kontribuon në aplikacione të qëndrueshme, të cilat shumë e shohin tërheqës për projektet që i japin përparësi konsistencës.E disponueshme në formatet DIP dhe SOIC, ai plotëson kërkesa të ndryshme të projektimit dhe ofron mundësi fleksibël të paraqitjes së PCB.
Përshtatshmëria e 74HC00 lejon që ajo të futet në një gamë të gjerë të konfigurimeve të portës logjike dhe sistemeve të ndërlikuara.Ju mund ta vlerësoni aftësinë e saj të fortë të drejtimit të hyrjes/daljes, duke e parë të dobishme për hartimin e funksioneve komplekse dixhitale.
Aftësia e saj për të operuar në kushte të ndryshme e bën 74HC00 të njohura në arsim dhe zhvillim prototip.Lehtësia me të cilën përshtatet me rritjen e kompleksitetit të qarkut ju frymëzon të eksploroni risi të reja pa sakrifikuar performancën.
Përmbledhje e prodhuesit
Texas Instruments ka fituar një reputacion për përkushtimin e tij për krijimin e produkteve gjysmëpërçuese të besueshme dhe themelore.Me përqendrimin e tyre të palëkundur në qëndrueshmërinë dhe performancën superiore, komponentët e Texas Instrumenteve e gjejnë veten në zemër të aplikacioneve të shumta, duke treguar rolin e tyre efektiv në industrinë e elektronikës.
Dimensione fizike
Matja e 8.65 mm x 3.91 mm x 1.58 mm,
74HC00
74HC00
RENESAS
74HC00 ST SOP
In Stock: 6124 pcs
krenohet me një dizajn të hijshëm të përshtatur për mjedise kompakte.Këto dimensione thjeshtojnë integrimin në paraqitjet e bordit të qarkut të larmishëm, duke ju lejuar të shfrytëzoni sa më shumë hapësirë të kufizuar pa kompromentuar aftësitë e mrekullueshme të pajisjes.
Karakteristikat elektrike
Tensioni i furnizimit përfshin nga 2V në 6V, duke ofruar përshtatshmëri në zgjedhjen e burimeve të energjisë dhe sigurimin e pajtueshmërisë me një spektër të gjerë të qarqeve dixhitale.Ky gamë e tensionit mbështet aplikime të gjithanshme, duke bërë të mundur që 74HC00 të përshtatet me kujdes ndaj ndryshimit të kërkesave në mjedise dinamike.
Kushtet e temperaturës dhe mjedisit
Duke funksionuar në mënyrë efektive midis -40 ° C dhe 85 ° C, pajisja është krijuar për të lulëzuar në klima të ndryshme dhe kushte industriale.Rezistenca e saj ndaj ekstremeve të temperaturës e bën atë një zgjedhje të preferuar për elektronikën e konsumit dhe aplikimet industriale, ku ndryshueshmëria e mjedisit është e dhënë.
Metrikë të performancës
Duke ofruar një vonesë përhapjeje prej 23 nanosekondash, 74HC00 shkëlqen në efikasitetin e përpunimit të kërkuar për funksionet logjike me shpejtësi të lartë.Kjo performancë e shpejtë është e dobishme për aplikacione të tilla si kontrolli dixhital i kontrollit të sinjalit dhe sistemet e komunikimit, ku shkëmbimi i shpejtë i të dhënave është një domosdoshmëri.
Përbërje strukturore
Pajisja përfshin 4 porta, për operacionet logjike NAND, duke siguruar funksionalitet të konsiderueshëm për modelet e ndërlikuara të logjikës.Kjo konfigurim dëshmon e dobishme kur operacionet logjike janë të nevojshme për t'u ekzekutuar në mënyrë efikase, duke siguruar një përpunim të shpejtë dhe të besueshëm brenda sistemeve.
Klasifikim
Duke funksionuar si një portë logjike, 74HC00 shërben si një përbërës kryesor në krijimin e qarkut dixhital.Ju mund t'i përdorni këto elemente për të ndërtuar sisteme komplekse dixhitale, duke rritur kështu fuqinë llogaritëse dhe duke përparuar aftësitë e përpunimit në mënyra inovative.
74HC00
74HC00
RENESAS
74HC00 ST SOP
In Stock: 6124 pcs
integron katër porta të veçanta NAND, secila me dy hyrje që çojnë në një dalje të vetme.Operacioni varet nga një tabelë e detajuar e së vërtetës.Në mënyrë të veçantë, dalja bie në të ulët vetëm nëse të dy inputet janë të larta.Përndryshe, prodhimi mbetet i lartë - një element kryesor në hartimin e logjikës dixhitale, duke vepruar si një përbërës thelbësor në hartimin e qarqeve më të ndërlikuara.
Reagimi pozitiv ndikon në mënyrë delikate në stabilitetin në të gjithë këto porta.Ndërsa secila portë përpunon inputet e saj, reagimet shërbejnë për të forcuar një gjendje të qëndrueshme të daljes, duke nxitur performancën e vazhdueshme.Ky ekuilibër arrihet duke harmonizuar reagimet e portës me vlerat e hyrjes.Ju mund të futni në këtë aspekt për të krijuar qarqe që kërkojnë gjendje logjike të besueshme, duke zbuluar një shtresë të parashikueshmërisë së siguruar.
Përhapja e hollësive të dinamikës input-dalje brenda NAND Gates rrit potencialin për modelet e qarkullimit të efektshëm.Aplikimet e zakonshme përfshijnë ndërtimin e rrokullisjeve dhe ekzekutimin e detyrave logjike si dhe, ose, dhe jo operacionet.Kjo shkathtësi thekson adoptimin e tyre në një spektër të konteksteve, nga mekanizmat e kontrollit të drejtpërdrejtë deri tek kornizat e sofistikuara llogaritëse.
Duke reflektuar mbi dobinë më të gjerë të 74HC00, performanca e tij e besueshme gjen rëndësi në fushat që përfshijnë elektronikën e konsumit në automatizimin industrial.Fuqia për të rregulluar këto porta në korniza të ndryshme logjike jep liri të konsiderueshme krijuese, duke inkurajuar inovacionin.Parimet kryesore të Gates Nand frymëzojnë zgjidhje të përshtatura për pengesa unike teknologjike.
74HC00
74HC00
RENESAS
74HC00 ST SOP
In Stock: 6124 pcs
është një portë katërfish me dy hyrje NAND e dizajnuar me saktësi të hollë.Ajo mishëron një përzierje harmonike të prakticitetit dhe sofistikimit teknologjik.
Tiparet
• Operon në një gamë të gjerë të tensionit
• Shfaq vonesën e shpejtë të përhapjes
• I përshtatshëm për operacione me shpejtësi të lartë dhe me fuqi të ulët
Karakteristikat elektrike
• Tensioni dhe rryma: Ky përbërës funksionon mbi një gjerësi të niveleve të tensionit, duke akomoduar një larmi të nevojave të projektimit.
• Gama e temperaturës: Kryen në mënyrë të besueshme në ambiente të ndryshme të temperaturës, duke lejuar përshtatjen ndaj kushteve të ndryshme mjedisore.
Aplikime
• Përdorime të përgjithshme: Një komponent i gjithanshëm, gjen një vend në qarqet dixhitale të shumta, duke përmbushur nevojat që variojnë nga detyrat e përditshme deri tek aplikimet komplekse me hir.
• Zbatime specifike: Nga elektronika e konsumit deri tek mekanizmat industrialë, 74HC00 integrohet pa probleme, duke manifestuar dobinë e tij në secilën aplikacion.
CHIP
74HC00
74HC00
RENESAS
74HC00 ST SOP
In Stock: 6124 pcs
shfaq përshtatshmëri të jashtëzakonshme, që shfaqet shpesh në kontekste të ndryshme elektronike falë spektrit të tij të gjerë të funksionaliteteve.
Buffering dhe ngarje
74HC00 funksionon me miratim si një tampon ose shofer, duke nxitur lidhje pa probleme nëpër qarqet.Duke minimizuar pikat e tensionit dhe zvogëlimin e degradimit të sinjalit, ai krijon komunikim të vazhdueshëm midis përbërësve.Në elektronikë praktike, duke përdorur 74HC00 si një tampon mund të forcojë aftësinë e një mikrokontrolluesi për të aktivizuar LED të shumta ose modulet e stafetave, një veçori e shpeshtë në projektet DIY.
Operacione logjike
Ky çip mundëson operacione logjike, të tilla si portat NAND, duke formuar thelbin e sistemeve të ndërlikuara.Integrimi i tij i lehtë në qarqe të ndryshme logjike thekson përdorshmërinë e tij.Në dizajnin dixhital, leveragimi i portave NAND ju fuqizon të ndërtoni qarqe logjike të sofistikuara me më pak përbërës, duke rritur përballueshmërinë dhe kompaktësinë.
Integrimi i sistemeve të ngulitura
Brenda sistemeve të ngulitura, 74HC00 rregullon ekzekutimin e detyrave duke ngulitur funksionet logjike brenda nismave të mikrokontrolluesit.
Pajisje të shumta IoT përdorin këtë çip për të ekzekutuar kontrolle të kushtëzuara dhe për të menaxhuar pajisjet periferike, duke rritur reagimin dhe besueshmërinë e sistemit.
Konvertim i nivelit
74HC00 shërben një rol efektiv në konvertimin e nivelit, duke rregulluar nivelet e sinjalit midis qarkut të ndryshëm.Kjo lehtëson ndërlidhjen e qetë të përbërësve me vlerësime të ndryshme të tensionit.Në situata të tensionit të përzier, të tilla si lidhja e një mikrokontrolluesi 5V me një sensor 3.3V, 74HC00 uron pa probleme ndarjen, duke siguruar ndarjen e saktë të të dhënave.
Qarqet e kohës dhe kontrollit
CHIP gjithashtu përmban në qarqet e kohës dhe kontrollit, duke ndihmuar në koordinimin e përpiktë të detyrave logjike sekuenciale, duke rritur aplikacione si qarqet e linjës së vonesës dhe gjenerimin e pulsit.Rafinimi i qarqeve të kohës me 74HC00 rrit saktësi në detyra si sistemet e komunikimit sinkron, ruajtjen e besnikërisë së të dhënave përmes menaxhimit të përpiktë të kohës.
Krahasuesi dixhital për krahasim binar
74HC00 funksionon si një krahasues dixhital për krahasime binare, ideale për vendimmarrjen brenda kornizave dixhitale.Ai dallon barazinë ose ndryshimin midis figurave binare.Punësimi i 74HC00 për krahasim binar siguron një rrugë efikase për të zbatuar vendime të degëzimit në protokolle dixhitale të larmishme, duke përforcuar performancën e sistemit në aktivitete.
Fleta e të dhënave 74HC00:
74HC00 Detaje PDF74HC00 Detaje PDF për fr.pdf74HC00 Detaje PDF për KR.PDF74HC00 Detaje pdf për të.pdf74HC00 Detaje PDF për es.pdf
1. Cili është funksionaliteti i 74HC00?
74HC00 përfshin katër porta të pavarura me dy hyrje NAND, që veprojnë brenda një diapazoni të energjisë prej 2.0V deri 6.0V.Duke shërbyer sistemeve logjike dixhitale, ai mundëson formimin e operacioneve logjike, të cilat formojnë shtyllën kurrizore të arkitekturave të ndërlikuara dixhitale.
2. Sa porta Nand përmban 74LS00?
74LS00 përfshin një grup prej katër portash NAND, secila e dizajnuar me dy hyrje dhe një dalje njëjës.Ky konfigurim është një zgjedhje e zakonshme kur zhvilloni njësi në elektronikën dixhitale.
3. Whatfarë e dallon 74HC00 nga 74LS00?
Një ndryshim kryesor është përshtatshmëria e tensionit të tyre.74HC00 punon brenda një rangu 2V deri 6V, ndërsa 74LS00 është i kufizuar në një furnizim me energji 5V.Përzgjedhja shpesh varet nga ndryshimet e nevojave të aplikimit dhe faktorëve mjedisorë.
4. A mund ta përshkruani serinë 74HC?
Seria 74HC përmban qarqe të integruara me shpejtësi të lartë CMOS, duke ofruar shpejtësi të pajtueshme me TTL me konsum të zvogëluar të energjisë.Përputhshmëria e tyre me paraqitjet e pinit të serisë 74LS lejojnë integrim dhe zëvendësim të lehtë në qarqet ekzistuese.
5. Cilat janë aplikimet e 74HC00?
Në qarqet dixhitale, 74HC00 është instrumentale ku kërkohen porta logjike NAND për përmbysjen e sinjalit dhe ekzekutimin e veprimeve komplekse logjike.Përshtatshmëria e saj e bën atë një pasuri të vlefshme në kontekstet arsimore dhe ndërmarrjet elektronike profesionale.
Ndani këtë postim